スニペットライブラリ の履歴(No.2)
更新このページの使い方†
ブロックダイアグラムは VI スニペットになっているので、 LabView へドラッグ&ドロップしてそのまま使えます。
値が変化したことを検出する†
今回の値が前回と異なるかどうかを返します。
複数の値を同時にチェックできます。
プログラミング/LabView/繰り返さないループで内部状態を保持 のテクニックを使っています。
ループの部分だけを選んでサブVI化してもいいかもしれません。
使用例†
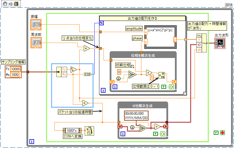
波形生成サンプル†
パラメータを動的に変更可能な任意波形生成のサンプルです。
フォーミュラノードの中を書き換えれば任意の波形を生成できます。
位相と t0 の生成に プログラミング/LabView/繰り返さないループで内部状態を保持 のテクニックを使っています。
周期的でない波形を作るには「商&余り関数」を外します。
- 水色の枠で囲った部分
- 位相を順次生成 のループ
- t0を順次生成 のループ
の3つをサブ VI 化した上で、 上で黄緑で囲った部分をサブ VI 化したのが以下の形です。
サブ VI†
使用例†
もちろん、正弦波だけでよければ標準の波形生成コンポーネントがあるので、 それを使えばいいのですが、もっと凝ったものを作りたいとき、 上記の wavegen-sin.vi を改造すればいろいろできる、という話です。
Counter: 7145 (from 2010/06/03),
today: 1,
yesterday: 3









